產品應用: 叉車連接器 電動車連接器 電池連接器 逆變電源連接器 新能源汽車 鉛酸蓄電池 電動叉車 堆高機 電動鏟車 電動絞盤 洗地機 割草機 高爾夫球車 旅游觀光車 治安巡邏車 老化設備 地鐵 太陽能逆變電源 UPS/EPS電源 汽車應急電源 老年代步車 電動輪椅
名稱:1000V光伏連接器 圣恩迪插頭 光伏連接器
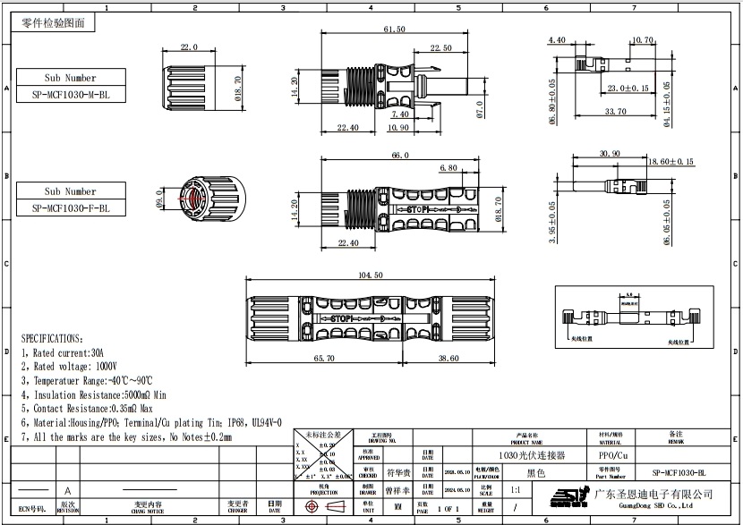
Rated current(Amperes):額定電流(I):
Main copper piece 主銅件1.5mm/17A,2.5mm2/22.5A,4-6mm/30A
Instantaneous current:瞬時電流(I):60A
Rated voltage(Volts):額定電壓(V):1000V
Contact resistance 接觸電阻(mΩ):≦0.35mΩ
Insulation resistance 絕緣電阻(MO):≧5000MQ
Creepage distance爬電距離:1.0mm
Temperature Rise 溫升:
Power on at room temperature 30A for 4h,TR≦40℃
室溫30A持續通電4h,溫升≦40℃
Mechanical Performance機械性能
Connect the system連接系統:Multipoint connection 多點連接
Self-locking system自鎖系統:Embedded嵌入式
Connection mode 接線方式:Crimp壓接
Wire welding strength (Pull):導線焊接強度(拉脫力):
a:Main cable≧70N,b:Signal Line≧30N,c:Plug-in as a whole≧100N
a:主線纜≧70N.
b:信號線≧30N,c:插件整體≧100N
Rockwell scale洛氏硬度:>119R
Protection level防水等級:IP68
Security clearance安全等級:DCII
Tensile fracture strength抗拉斷裂強度:>1000Kg/cm
Plug and pull life插拔壽命:100times


? ? ? ? ? ? ? ? ? ? ? ? ? ? ? ? ? ? ??耐高壓光伏接插件,多點連接光伏連接器、嵌入式自鎖光伏插頭、光伏連接器?



SIN系列工業連接器:高電流場景下的“硬核擔當”,賦能工業生產高效升級!2025-08-28
圣恩迪:動力線束源頭廠家,以技術革新賦能全球能源轉型2025-08-26
三孔香蕉插頭連接器:安全性能與耐用性深度解析2025-08-18
圣恩迪光伏連接器如何以降本增效方案驅動新能源產業升級2025-08-13
圣恩迪光伏連接器:兼容并蓄,穩筑綠色能源新未來2025-08-13
圣恩迪連接器的大電流連接器的技術特性是什么?2025-08-04
廣東圣恩迪電子有限公司核心產品有哪些?2025-08-04
廣東圣恩迪電子有限公司:以創新連接技術賦能新能源產業高質量發展2025-07-30
廣東圣恩迪電子有限公司閃耀亮相第10屆世界電池及儲能產業博覽會WBE20252025-07-30
汽車應急電源連接器EC5-F/M公母頭:高頻鍍金觸點+軍工級阻燃2025-07-23

1.工程師專家在線解答、為您企業量身定制匹配的產品,優化方案,節約成本。
2.圣恩迪與各大物流達成長期戰略合作關系,發貨迅速,交付及時,成為您事業上貼心的合作伙伴!
全國免費咨詢熱線:

1.工程師專家在線解答、為您企業量身定制匹配的產品,優化方案,節約成本。
2.圣恩迪與各大物流達成長期戰略合作關系,發貨迅速,交付及時,成為您事業上貼心的合作伙伴!
全國免費咨詢熱線: